把將直流電能變換成交流電能的過程稱為逆變,把完成逆變功能的電路稱為逆變電路,把實現逆變過程的裝置稱為逆變設備或逆變器。那么你是否理解逆變器電路圖,接下來分享逆變器原理電路圖解。
一、什么是逆變器
逆變器是一種把直流電能(電池、蓄電瓶)轉變成交流電(普通為220伏50HZ正弦波或方波)的安裝。我們常見的應急電源,普通是把直流電瓶逆變成220V交流的。簡單來講,逆變器就是一種將直流電轉化為交流電的安裝。它由逆變橋、控制邏輯和濾波電路組成。是一種DC to AC的變壓器,它其實與轉化器是一種電壓逆變的過程。轉換器是將電網的交流電壓轉變為穩定的12V直流輸出,而逆變器是將Adapter輸出的12V直流電壓轉變為高頻的高壓交流電。
以下是整個過程的電路圖:
二、逆變器的特點
1、轉換效率高、啟動快;
2、安全性能好:產品具備短路、過載、過/欠電壓、超溫5種保護功能;
3、物理性能良好:產品采用全鋁質外殼,散熱性能好,表面硬氧化處理,耐摩擦性能好,并可抗一定外力的擠壓或碰擊;
4、帶負載適應性與穩定性強。
三、逆變器原理電路解析
將220V交流電轉變為24V、36V、48V都比較簡單,只需要使用變壓器的原理。電磁互感,就可以獲得不同的電壓。
設閉合電路是一個n匝線圈,且穿過每匝線圈的磁通量變化率都相同,這時相當于n個單匝線圈串聯而成,因此感應電動勢變為
根據公式可知,E就是電動勢,也就是電壓。因為
不變,只要鐵塊兩端的線圈數量n不一樣就可以達到變壓的效果。
將交流電轉變為直流電只要加上二極管就可以達到需要的效果,二極管是一種具有兩個電極的裝置,只允許電流由單一方向流過,許多的使用是應用其整流的功能。然后再利用變壓器原理就可以將220V交流電轉變成12V直流電,以及我們手機充電器的5V直流輸出電壓。
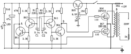
四、常見的逆變器電路圖
以下是一款較為容易制造的逆變器電路圖,能夠將12V直流電源電壓逆變為220V市電電壓,電路由BG2和BG3組成的多諧振蕩器推進,再經過BG1和BG4驅動,來控制BG6和BG7工作。其中振蕩電路由BG5與DW組的穩壓電源供電,這樣能夠使輸出頻率比擬穩定。在制造時,變壓器可選有常用雙12V輸出的市電變壓器。可依據需求,選擇恰當的12V蓄電池容量。
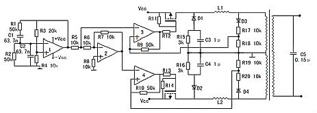
五、正弦波逆變器電器圖
以下是一款高效率的正弦波逆變器電器圖,該電路用12V電池供電。先用一片倍壓模塊倍壓為運放供電。可選取ICL7660或MAX1044。運放1產生50Hz正弦波作為基準信號。運放2作為反相器。運放3和運放4作為遲滯比擬器。其實運放3和開關管1構成的是比例開關電源。運放4和開關管2也同樣。它的開關頻率不穩定。在運放1輸出信號為正相時,運放3和開關管工作。這時運放2輸出的是負相。這時運放4的正輸入端的電位(恒為0)總比負輸入端的電位高,所以運放4輸出恒為1,開關管關閉。在運放1輸出為負相時,則相反。這就完成了兩開關管交替工作。
當基準信號比檢測信號,也即是運放3或4的負輸入端的信號比正輸入端的信號高一微小值時,比擬器輸出0,開關管開,隨之檢測信號疾速進步,當檢測信號比基準信號高一微小值時,比擬器輸出1,開關管關。這里要留意的是,在電路翻轉時比擬器有個正反應過程,這是遲滯比擬器的特性。比方說在基準信號比檢測信號低的前提下,隨著它們的差值不時地靠近,在它們相等的霎時,基準信號馬上比檢測信號高出一定值。這個“一定值”影響開關頻率。它越大頻率越低。這里選它為0.1~0.2V。
C3,C4的作用是為了讓頻率較高的開關續流電流經過,而對頻率較低的50Hz信號產生較大的阻抗。C5由公式:50=算出。L普通為70H,制造時最好測一下。這樣C為0.15μ左右。R4與R3的比值要嚴厲等于0.5,大了波形失真明顯,小了不能起振,但是寧可大一些,不可小。開關管的最大電流為:I==25A。
以上是今天分享的逆變器電路圖講解。現有的逆變器,有方波輸出和正弦波輸出兩種。方波輸出的逆變器效率高,關于采用正弦波電源設計的電器來說,除少數電器不適用外大多數電器都可適用,正弦波輸出的逆變器就沒有這方面的缺陷,卻存在效率低的缺陷,如何選擇這就需求依據本人的需求了。
400-855-1855
0592-3754999
郵箱:sales@mbt-energy.com 售后:service@mbt-energy.com